-
Mar 12, 2024ASME B16.5 snittari flansflokkur 2500 í tommumASME B16.5 snittari flansflokkur 2500 í tommum -
Mar 12, 2024ASME B16.5 snittari flansflokkur 1500 í tommumASME B16.5 snittari flansflokkur 1500 í tommum -
Mar 12, 2024ASME B16.5 snittari flansflokkur 900 í tommumASME B16.5 snittari flansflokkur 900 í tommum -
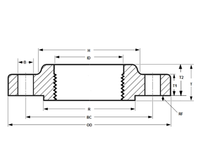
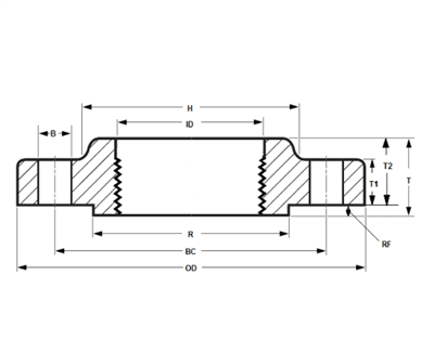
Mar 12, 2024ASME B16.5 snittari flansflokkur 600 í tommumÞráður flokkur 600 snittari flansvíddar Class 600 í tommum (ASME B16.5) fyrir ASME B16.5 snittari flans í flokki 600, málin geta verið mismunandi eftir nafnpípustærð (NPS) flansins -
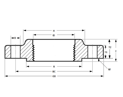
Mar 12, 2024ASME B16.5 snittari flansflokkur 400 í tommumASME B16.5 snittari flansflokkur 400 í tommum -
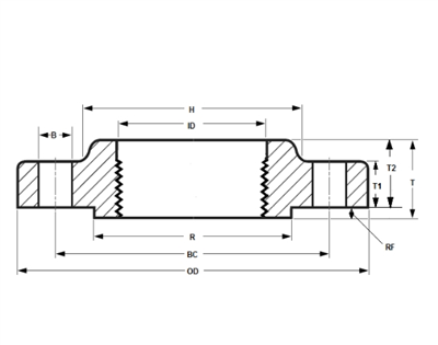
Mar 12, 2024ASME B16.5 snittari flansflokkur 300 í tommumASME B16.5 snittari flansflokkur 300 í tommum -
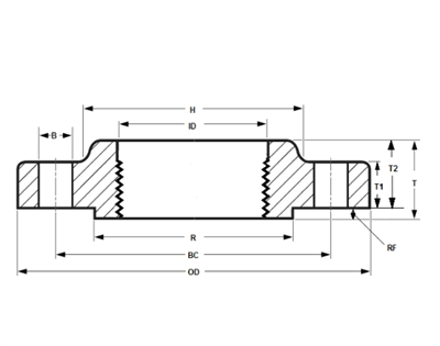
Mar 12, 2024ASME B16.5 snittari flansflokkur 150 í tommumASME B16.5 snittari flansflokkur 150 í tommum










